Central Oklahoma Classic Chevy Club

1956 Passenger Assembly Manual

Section 0 - Index

General Index                                                                                               Sheet 1.00

Section 1  - Body Instruction

Body Instruction Index                                                                                   Sheet 1.00

Dash and Toe Panel Hole Location                                                            Sheet 2.00

Dash and Toe Panel Hole Location                                                            Sheet 3.00

Dash Panel Mat                                                                                            Sheet 4.00

Rear Shock Absorber Hole Cover (Wagon & Sedan Delivery)               Sheet 5.00

Instrument Panel Brace                                                                                Sheet 6.00

Instrument Panel Accessory Hole Cover                                                    Sheet 7.00

Steering Gear Jacket Cover                                                                        Sheet 8.00

Instrument Panel Name Plate                                                                      Sheet 9.00

Ash Tray                                                                                                         Sheet 10.00

Instrument Panel Trim Plates                                                                       Sheet 11.00

Dash Panel Heater Hole Cover                                                                   Sheet 12.00

Cowl Ventilator                                                                                              Sheet 13.00

Windshield Wiper                                                                                         Sheet 14.00

Name Plate & Emblem (except Nomad)                                                    Sheet 15.00

Rear Emblem (Nomad)                                                                                Sheet 16.00

Access Hole Masking & Floor Mat (9 Passenger Station Wagon)         Sheet 17.00

No. 1 Body Mounting                                                                                    Sheet 18.00

No. 2 Inner Body Mounting and Gauge Hole                                              Sheet 19.00

No. 2 Outer Body Mounting                                                                          Sheet 20.00

No. 3 Inner Body Mounting                                                                           Sheet 21.00

No. 3 Outer body Mounting                                                                          Sheet 22.00

No. 3-A Body Mounting (Sport Coupe)                                                      Sheet 23.00

No. 3-A Body Mounting (Convertible)                                                         Sheet 24.01

No. 4 Body Mounting                                                                                    Sheet 25.00

No. 5 Body Mounting                                                                                    Sheet 26.00

No. 5A Body Mounting (Convertible & 9 Pass. Station Wagon)              Sheet 27.00

No. 6 Body Mounting                                                                                    Sheet 28.00

Body Shim                                                                                                     Sheet 29.00

Body Mounting Checking Dimensions                                                       Sheet 30.00

Section 2 – Frame Instruction

Frame Instruction (all except 2434 and Ckd Bloomfield)                         Sheet  1.00A

Frame Instruction (Model 2434)                                                                  Sheet 1.00B

Frame Instruction (Ckd Bloomfield)                                                            Sheet 1.00C

Clutch Shaft Frame Bracket                                                                        Sheet 2.00

Idler Lever Support                                                                                       Sheet 3.00

No. 3 outer Body Bracket (4 door Sport Sedan)                                       Sheet 4.00

No. 3-A Body Bracket (Sport Coupe)                                                         Sheet 5.00

Front Cross Member                                                                                    Sheet 6.00

Cross Member Brace and Radiator Support                                            Sheet 7.00

Brake Hose Bracket, Fender Support & Rear Cross Member               Sheet 8.00

Engine Rear Mounting Frame Bracket                                                       Sheet 9.00

No. 1 & No. 2 Body Bracket                                                                        Sheet 10.00

No. 3 Inner & Outer Body Bracket                                                               Sheet 11.00

No. 4 & No. 5 Inner Body Bracket                                                               Sheet 12.00

No. 5 & No. 5A Body Bracket (9 Passenger Station Wagon)                 Sheet 13.00

Rear Spring Hanger                                                                                     Sheet 14.00

Brake Hose Bracket & Brake Cable Guide                                               Sheet 15.00

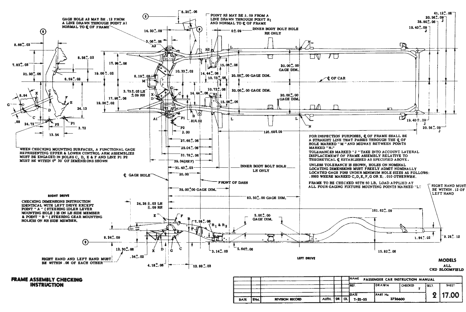
Frame Assembly Checking                                                                         Sheet 17.00

Section 3 – Front End Suspension Instruction

Front End Suspension Index                                                                        Sheet 1.00

Upper and Lower Control Arm                                                                    Sheet 2.00

Steering Knuckle and Wheel Hub                                                               Sheet 3.00

Front Shock Absorber and Spring                                                              Sheet 4.00

Front Suspension Geometry                                                                        Sheet 5.00

Front Spring Color                                                                                        Sheet 6.00

Section 4 – Rear End Suspension Instruction

Propeller Shaft Bumper & Rear Axle                                                          Sheet 2.00

Shock Absorber                                                                                            Sheet 3.00

Axle Bumper and Rear Spring                                                                    Sheet 4.00

Section 5 – Brake Pedal & Main Cylinder Instruction

Brake Index                                                                                                    Sheet 1.00

Brake Pedal & Main Cylinder Index                                                            Sheet 2.00

Front Brake Pipes (Left Drive)                                                                    Sheet 3.00

Front Brake Pipes (Right Drive)                                                                  Sheet 4.00

Rear Brake Pipes                                                                                         Sheet 5.00

Parking Brake                                                                                               Sheet 6.00

Section 6 – Engine Instruction

Engine Index                                                                                                  Sheet 1.00

Fan Blade and Belt                                                                                       Sheet 2.00

Radiator Hose & Engine Decalcomania                                                    Sheet 3.00

Carburetor & Choke Pipe                                                                            Sheet 4.00

Air Cleaner                                                                                                    Sheet 5.00

Fuel Pump & Crankcase Ventilator                                                            Sheet 6.00

Accelerator Control (Left Drive)                                                                  Sheet 7.00

Accelerator Control (Right Drive)                                                                Sheet 8.00

Accelerator Control (Left Drive)                                                                  Sheet 9.00

Engine Front Mounting                                                                                 Sheet 10.00

Engine Rear Mounting                                                                                  Sheet 11.00

Clutch Release Bearing & Flywheel Under Pan                                        Sheet 12.00

Clutch Linkage (Left Drive)                                                                          Sheet 13.00

Clutch Linkage (Right Drive)                                                                        Sheet 14.00

Generator                                                                                                       Sheet 15.00

Starter Motor                                                                                                 Sheet 16.00

Gasoline & Spark Control Pipes                                                                 Sheet 17.00

Section 7 – Transmission & Controls Instruction

Transmission & Controls Index                                                                    Sheet 1.00

Transmission Mounting                                                                                Sheet 2.00

Gearshift Control (Left Drive)                                                                       Sheet 3.00

Gearshift Control (Right Drive)                                                                    Sheet 4.00

Transmission Control                                                                                   Sheet 5.00

Transmission Control Linkage (Left Drive)                                                Sheet 6.00

Transmission Control Linkage (Right Drive)                                              Sheet 7.00

Transmission Control Linkage (Right Drive)                                              Sheet 8.00

Gearshift Lever Position                                                                              Sheet 9.00

Section 8 – Fuel and Exhaust Instruction

Fuel Tank & Exhaust (Except Sedan Delivery & Station Wagon)           Sheet 1.00A

Fuel Tank & Exhaust (Sedan Delivery & Station Wagon)                        Sheet 1.00B

Gasoline Tank (Except Sedan Delivery & Station Wagon)                      Sheet 2.00

Gasoline Tank (Sedan Delivery & Station Wagon)                                   Sheet 3.00

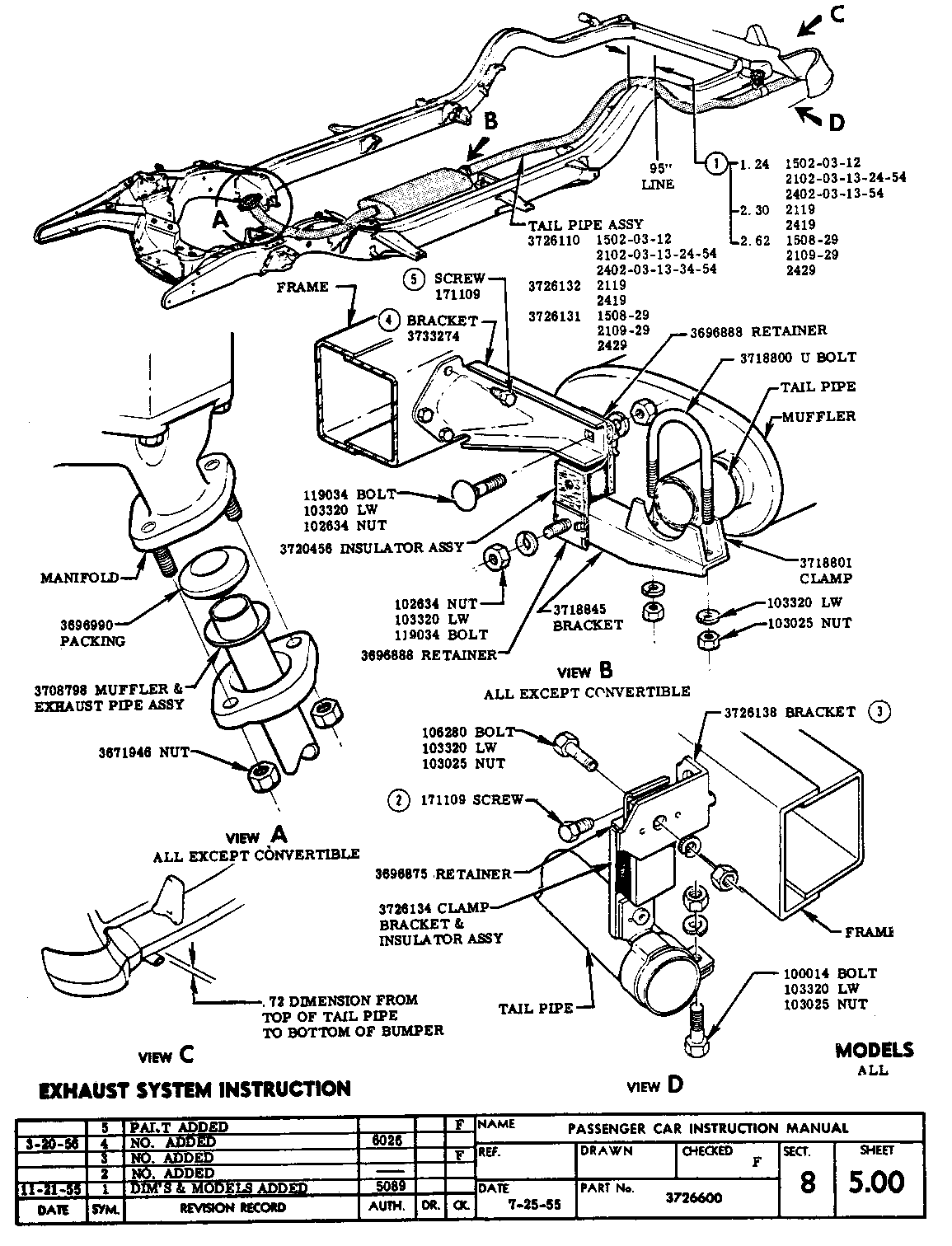
Exhaust System (2119-2419)                                                                      Sheet 4.00

Exhaust System                                                                                             Sheet 5.00

Exhaust System (Convertible)                                                                     Sheet 6.00

Section 9 – Steering Mechanism Instruction

Steering Mechanism Index                                                                          Sheet 1.00

Steering Linkage                                                                                          Sheet 2.00

Steering Gear                                                                                                Sheet 3.00

Steering Wheel                                                                                             Sheet 4.00

Steering Gear Clamp                                                                                   Sheet 5.00

Steering Column & Clutch Rod Dash Seal                                                Sheet 6.00

Section 10 – Tire and Wheel Instruction

Tire and Wheel                                                                                              Sheet 1.00

Section 11 – Front End Sheet Metal Instruction

Front End Sheet Metal Index                                                                       Sheet 1.00

Extension & Reinforcement                                                                        Sheet 2.00

Fender Skirt to Fender                                                                                Sheet 3.00

Skirt Support & Seal                                                                                    Sheet 4.00

Skirt Extension & Seal                                                                                 Sheet 5.00

Fender To Cowl                                                                                            Sheet 6.00

Fender To Side Rail                                                                                     Sheet 7.00

Seal A-Arm & Retainer                                                                                Sheet 8.00

Skirt To Dash Leg Support                                                                          Sheet 9.00

Baffle & Shield                                                                                              Sheet 10.00

Moulding                                                                                                        Sheet 11.00

Grille Support, Spacer & Lock Plate                                                          Sheet 12.00

Hood Emblem & Lock                                                                                  Sheet 14.00

Hood Pad & Seal                                                                                          Sheet 15.00

Hood Hinge & Bumper                                                                                 Sheet 16.00

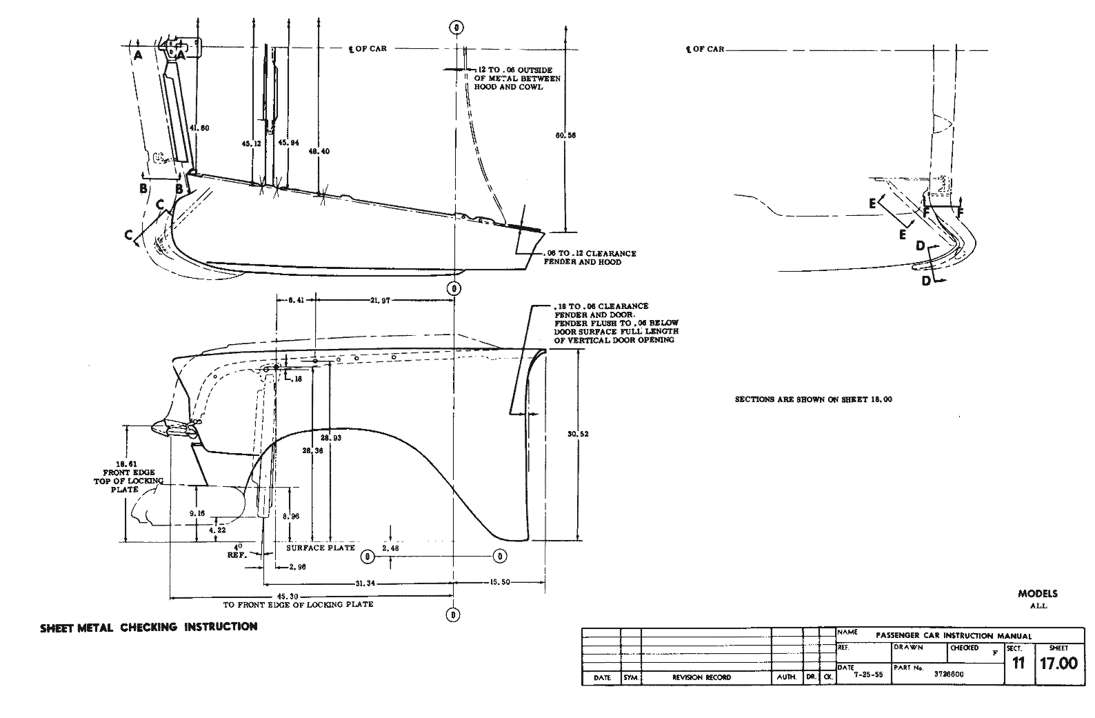
Sheet Metal Checking                                                                                  Sheet 17.00

Sheet Metal Checking                                                                                  Sheet 18.00

Section 12 – Electrical Instruction

Electrical Index                                                                                              Sheet 1.00

Wiring (Right Drive)                                                                                      Sheet 2.00

Instrument Cluster                                                                                         Sheet 3.00

Instrument Cluster Wiring (Left Drive)                                                         Sheet 4.00

Instrument Cluster Wiring (Right Drive)                                                      Sheet 5.00

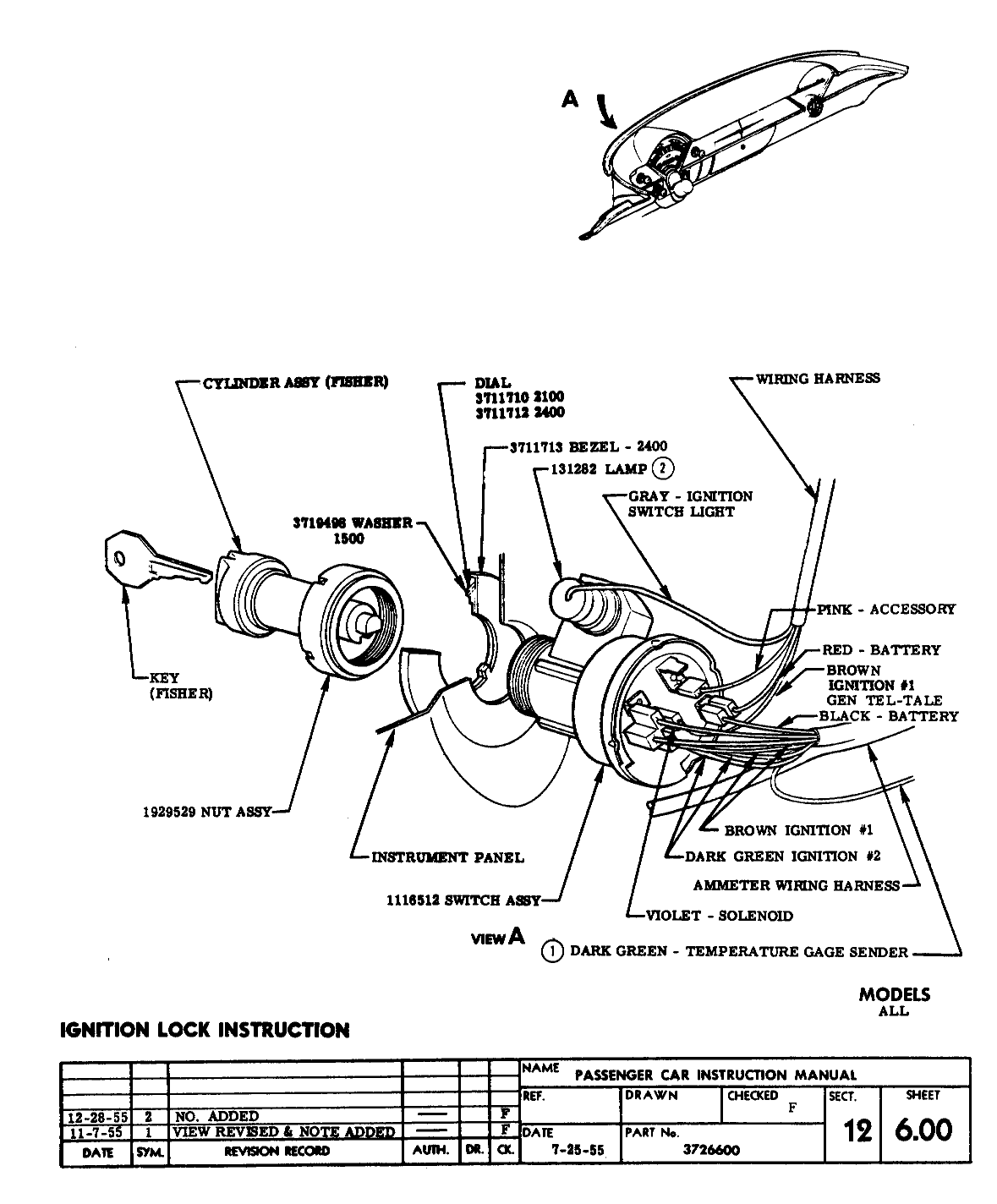
Ignition Lock                                                                                                  Sheet 6.00

Light Switch                                                                                                   Sheet 7.00

Cigarette Lighter (Models 2100-2400)                                                      Sheet 8.00

Clock & Bezel                                                                                                Sheet 9.00

Glove Box Light                                                                                             Sheet 10.00

Stop Lamp Switch                                                                                        Sheet 11.00

Battery                                                                                                            Sheet 12.00

Dimmer Switch                                                                                              Sheet 13.00

Resistor, Oil Pressure Switch & Capillary Tube                                        Sheet 14.00

Starter Motor Wiring                                                                                     Sheet 15.00

Coil & Spark Plug Wires                                                                              Sheet 16.00

Voltage Regulator & Horn Relay                                                                 Sheet 17.00

Horn                                                                                                                Sheet 18.00

Generator Wiring                                                                                          Sheet 19.00

Headlamp                                                                                                      Sheet 20.00

Headlamp Adjusting                                                                                     Sheet 21.00

Parking Lamp  Mounting Panel                                                                   Sheet 22.00

Parking & Signal Lamp                                                                                Sheet 23.00

Tail & Stop Lamp                                                                                          Sheet 24.00

License Plate Lamp                                                                                     Sheet 25.00

License Plate Bracket                                                                                  Sheet 26.00

Speedometer Shaft                                                                                      Sheet 27.00

Clip & Grommet Location (Left Drive)                                                        Sheet 28.00

Clip & Grommet Location (Right Drive)                                                     Sheet 29.00

Signal Switch (Left Drive)                                                                            Sheet 30.00

Wiring Diagram (Left Drive)                                                                        Sheet 31.00

Wiring Diagram (Right Drive)                                                                     Sheet 32.00

Section 13 – Radiator & Grill Instruction

Radiator & Grill Index                                                                                    Sheet 1.00 

Radiator to Support                                                                                      Sheet 2.00 

Tie Bar to Fender & Support                                                                       Sheet 3.00 

Radiator Support to Frame                                                                          Sheet 4.00 

Header Upper Outer & Lower Bar                                                              Sheet 5.00 

Grille Spacer & Reinforcement                                                                   Sheet 6.00 

Grille                                                                                                               Sheet 7.00 

Section 14 – Bumper & Miscellaneous Instruction

Bumper & Miscellaneous Index                                                                   Sheet 1.00

Filler Panel                                                                                                    Sheet 2.00

Filler Support & Bumper Outer Bracket                                                     Sheet 3.00

Front Bumper                                                                                                Sheet 4.00

Rear Bumper                                                                                                 Sheet 5.00

Serial Number Identification Plate                                                              Sheet 6.00

Auto Jack                                                                                                       Sheet 7.00

Lubrication                                                                                                      Sheet 8.00

Lubrication                                                                                                      Sheet 9.00

Lubrication                                                                                                      Sheet 10.00

Cooling System                                                                                              Sheet 11.00

Factory Optional Accessories and Regular Production Options Index (FOA & RPO)

FOA 101 – Heater

Deluxe & Recirculating Heaters Index                                                        Sheet 1.00

Heater and Blower Motor Mounting (Left Drive)                                        Sheet 2.00

Defroster Duct (Left Drive)                                                                           Sheet 3.00

Air Inlet  - Deluxe (Left Drive)                                                                       Sheet 4.00

Controls – Deluxe (Left Drive)                                                                     Sheet 5.00

Controls – Recirculating (Left Drive)                                                           Sheet 6.00

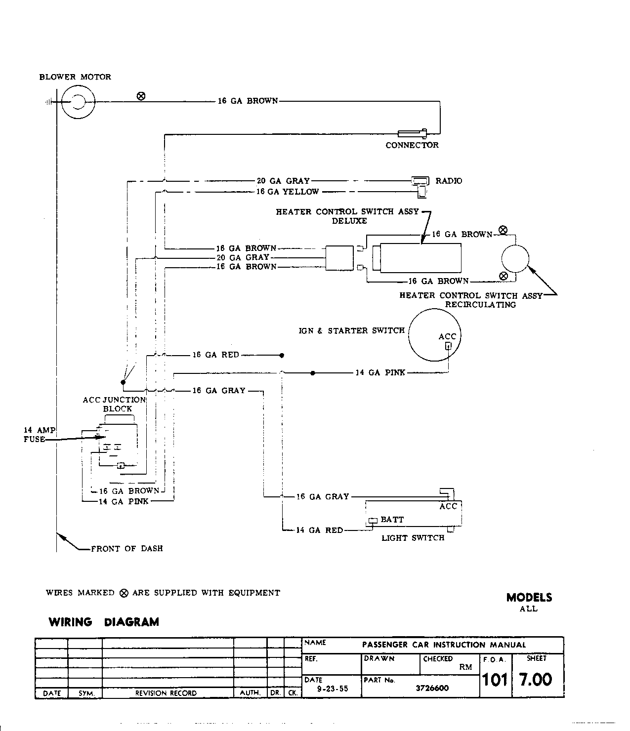
Wiring Diagram                                                                                             Sheet 7.00

FOA 104 – Oil Filter Instruction

 Oil Filter                                                                                                         Sheet 1.00

FOA110 – Air Conditioning Instruction

Air Conditioning Index                                                                                  Sheet 1.00

Conditioner                                                                                                    Sheet 2.00

Installation                                                                                                      Sheet 3.00

Installation                                                                                                      Sheet 4.00

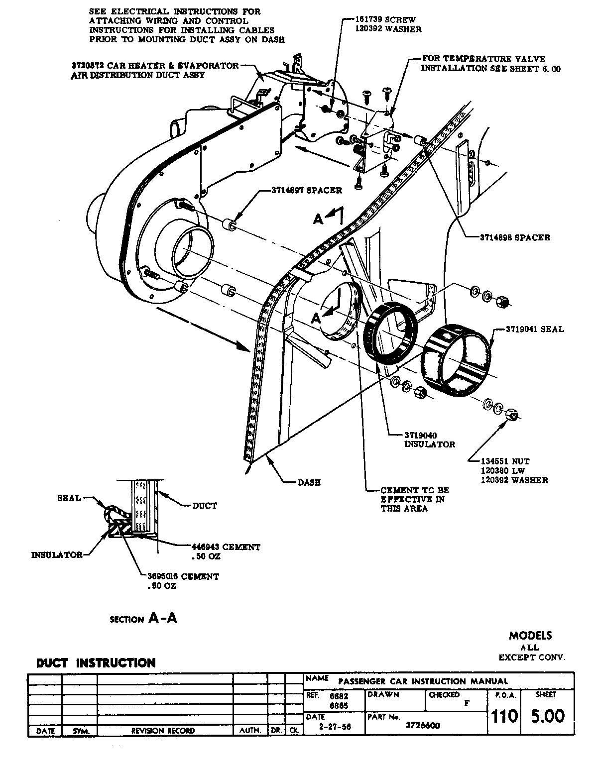
Duct                                                                                                                Sheet 5.00

Duct                                                                                                                Sheet 6.00

Fan                                                                                                                 Sheet 7.00

Evaporator Adapter                                                                                      Sheet 8.00

Car Heater & Evaporator Assembly                                                           Sheet 9.00

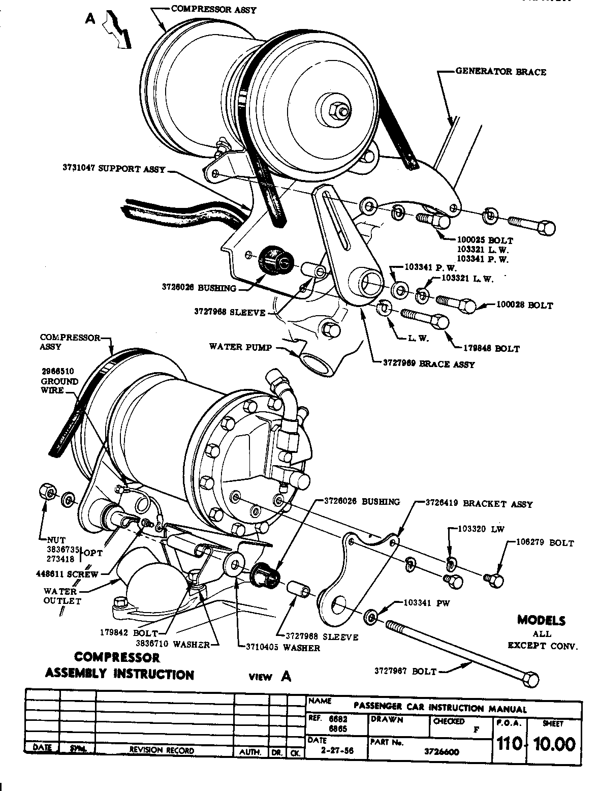
Compressor Assembly                                                                                Sheet 10.00

Condenser Assembly                                                                                   Sheet 11.00

Battery Mounting                                                                                           Sheet 12.00

Defroster Duct                                                                                               Sheet 13.00

Air Outlet                                                                                                        Sheet 14.00

Controls                                                                                                          Sheet 15.00

Electrical                                                                                                        Sheet 16.00

Electrical                                                                                                        Sheet 17.00

Electrical                                                                                                        Sheet 18.00

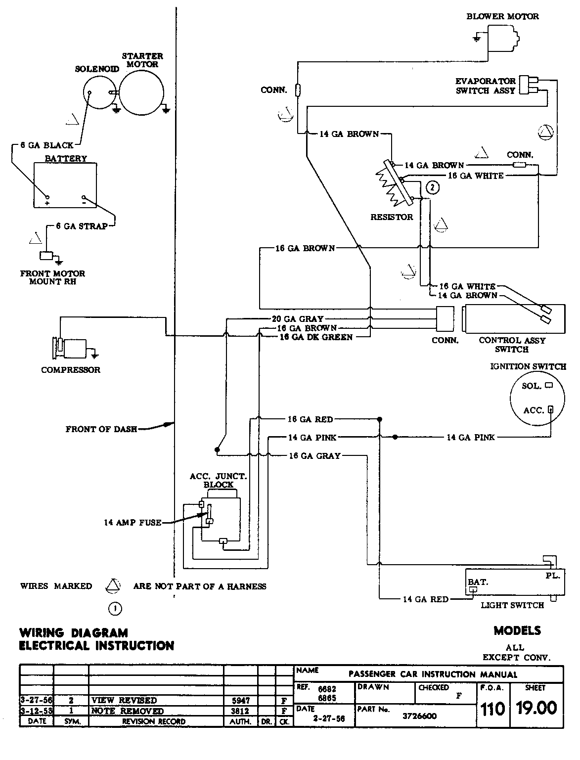
Wiring Diagram                                                                                             Sheet 19.00

RPO 200 – Shock Absorber

Shock Absorber                                                                                            Sheet 1.00

RPO 216 – Air Cleaner

Air Cleaner                                                                                                    Sheet 1.00

RPO 221 – V8 Engine

V8 Engine Index                                                                                            Sheet 1.00

Radiator                                                                                                         Sheet 2.00

Generator, Oil Filter, Pulley & Fan Belt                                                       Sheet 3.00

Air Cleaner                                                                                                    Sheet 4.00

Exhaust System                                                                                            Sheet 5.00

Oil Level Gauge                                                                                            Sheet 6.00

Filter Cavity                                                                                                   Sheet 6.01

Engine Ventilator                                                                                          Sheet 7.00

Carburetor & Fuel Pump                                                                              Sheet 8.00

Fuel, Spark & Choke Line                                                                           Sheet 9.00

Fuel & Brake Line                                                                                         Sheet 9.01

Accelerator Control (Left Drive)                                                                  Sheet 10.00

Accelerator Control (Right Drive)                                                                Sheet 11.00

Clutch Housing Bracket & Starter Motor                                                    Sheet 12.00

Distributor, Coil & Spark Plug Wire                                                            Sheet 13.00

Wiring (Left Drive)                                                                                         Sheet 14.00

Wiring (Right Drive)                                                                                      Sheet 15.00

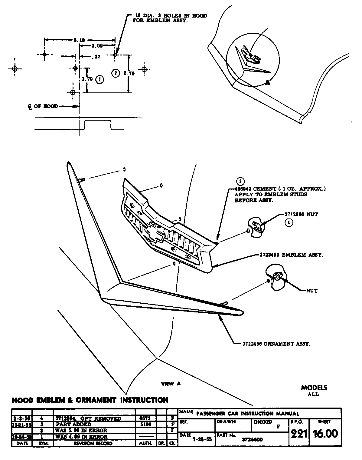
Hood Emblem & Ornament                                                                          Sheet 16.00

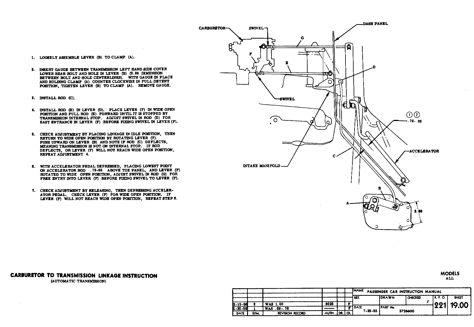
Carburetor to Transmission Linkage (Automatic)                                      Sheet 18.00

Carburetor to Transmission Linkage (Automatic)                                      Sheet 19.00

RPO 237 – Oil Filter

Oil Filter (All Left Drive)                                                                                Sheet 1.00

Oil Filter (All Right Drive)                                                                              Sheet 2.00

Oil Filter (All)                                                                                                  Sheet 3.00

RPO 241 – Governor

Governor (All Left Drive – 6 Cyl Only)                                                          Sheet 1.00

Governor (All Left Drive – V8 Only)                                                              Sheet 2.00

RPO 263 – Auxiliary Seat

Auxiliary Seat (Sedan Delivery)                                                                  Sheet 1.00

RPO 271 – Radiator Overflow Condenser

Radiator Overflow Condenser (All Export Cars)                                       Sheet 1.00

RPO 313 – Automatic Transmission

Automatic Transmission Index                                                                    Sheet 1.00

Engine Rear Mounting                                                                                  Sheet 2.00

Transmission To Engine                                                                              Sheet 3.00

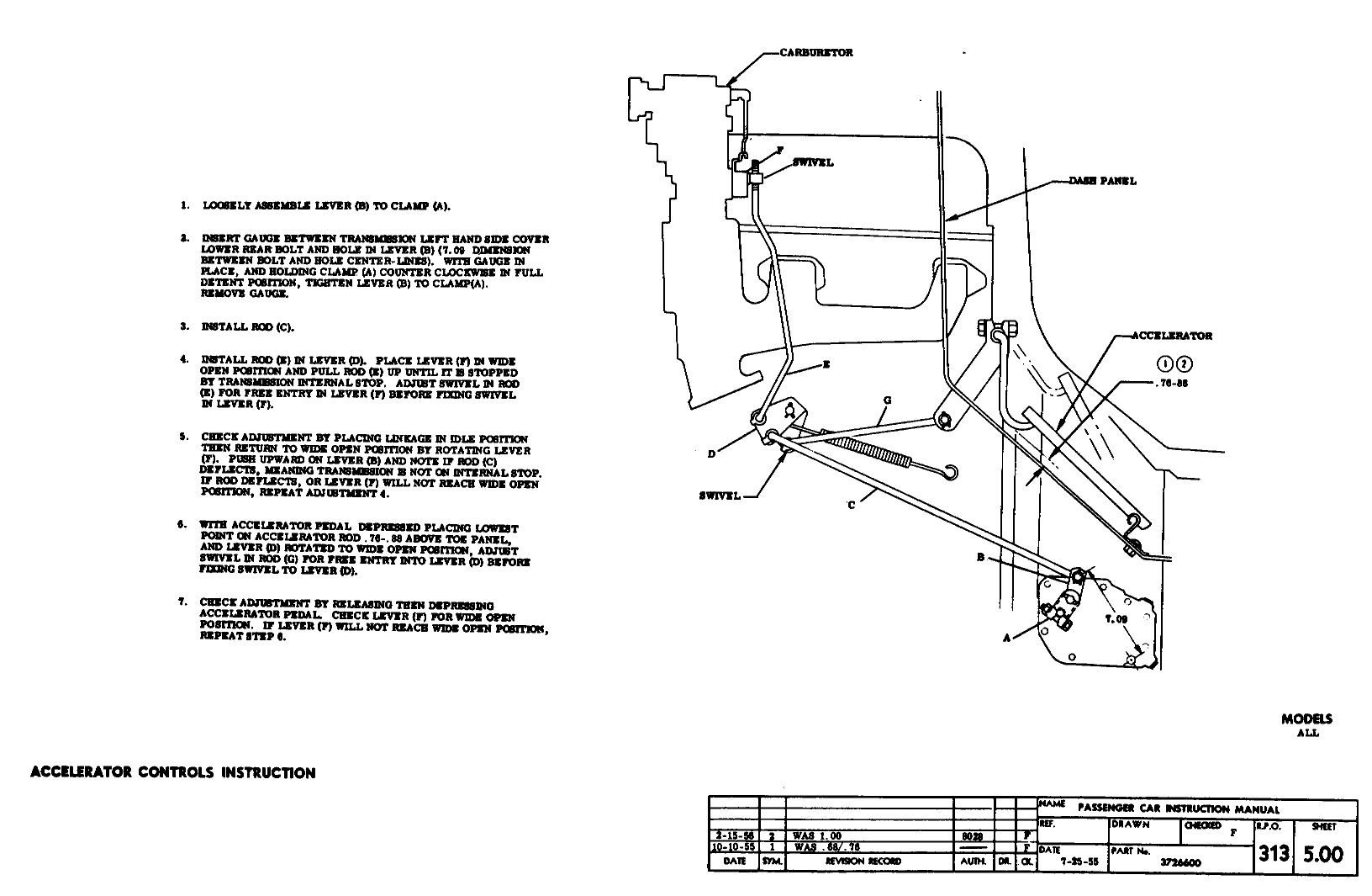
Accelerator Controls                                                                                     Sheet 4.00

Accelerator Controls                                                                                     Sheet 5.00

Transmission Controls                                                                                 Sheet 6.00

Transmission Controls                                                                                 Sheet 7.00

Transmission Controls                                                                                 Sheet 8.00

Oil Cooler & Filler                                                                                         Sheet 9.00

Transmission Control                                                                                   Sheet 10.00

Electrical                                                                                                        Sheet 11.00

Wiring Diagram                                                                                             Sheet 12.00

RPO 315 – Transmission Overdrive

Transmission Overdrive Index                                                                     Sheet 1.00

Control                                                                                                            Sheet 2.00

Harness & Relay                                                                                           Sheet 3.00

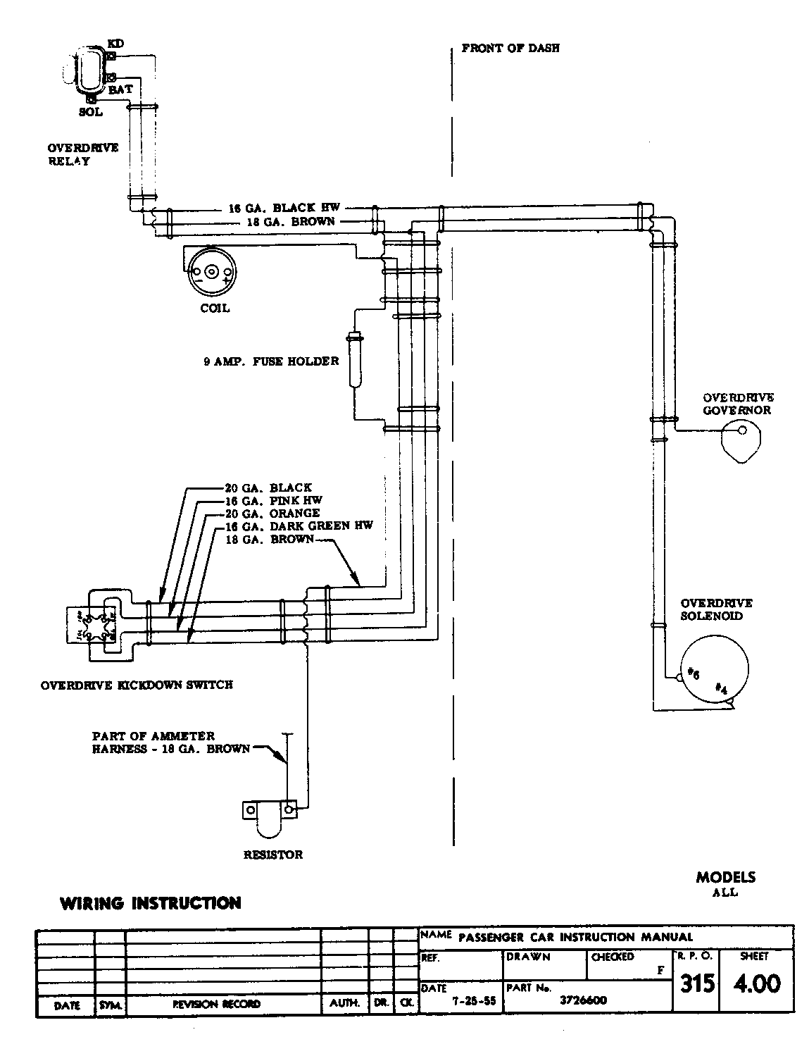
Wiring Diagram                                                                                             Sheet 4.00

Kickdown Switch (6 cyl)                                                                               Sheet 5.00

Kickdown Switch (V8)                                                                                  Sheet 6.00

RPO 320 – Electric Windshield Wiper

Electric Windshield Wiper                                                                           Sheet 1.00

RPO 324 – Hydraulic Steering

Hydraulic Steering Index                                                                              Sheet 1.00

Hose Shield                                                                                                   Sheet 2.00

Bleeding Instructions                                                                                     Sheet 3.00

Generator                                                                                                       Sheet 4.00

Hose                                                                                                               Sheet 5.00

Linkage                                                                                                          Sheet 6.00

RPO 325 – Heavy Duty Generator

Heavy Duty Generator                                                                                  Sheet 1.00

Wiring Diagram                                                                                             Sheet 2.00

RPO 330 – Taxi Cab Equipment

Taxi Cab Equipment                                                                                    Sheet 1.00

RPO 345 – Heavy Duty Battery

Heavy Duty Battery                                                                                        Sheet 1.00

RPO 397 – Seat Electrical Control

Seat Electrical Control                                                                                  Sheet 1.00

RPO 410 – Single & Dual Four Barrel Carburetor

Single & Dual Four Barrel Carburetor Index                                             Sheet 1.00

Cabruretor , Air Cleaner & Linkage                                                           Sheet 2.00

Cabruretor , Air Cleaner & Linkage                                                           Sheet 2.01

Carburetor Linkage Adjustment                                                                  Sheet 3.00

Fuel Pipes, Electrical & Radiator                                                               Sheet 3.01

Exhaust                                                                                                          Sheet 4.00

Exhaust                                                                                                          Sheet 5.00

Fuel & Brake Line                                                                                         Sheet 6.00

RPO 412 – Vacuum Power Brake

Vacuum power Brake index                                                                        Sheet 1.00

Cylinder Mounting & Dash Steering Hole Cover                                       Sheet 2.00

Brake Pedal & Linkage                                                                                Sheet 3.00

Brake Line, Hose & Vacuum Tank                                                             Sheet 4.00

RPO 417 – Engine Positive Ventilation

Engine Positive Ventilation                                                                          Sheet 1.00

 RPO 426 – Window Electrical Control

Window Electrical Control                                                                             Sheet 1.00

RPO 472 – Gasoline Tank – Twenty Gallon

Gasoline Tank – Twenty Gallon                                                                    Sheet 1.00



Return to Technical Help Page


Pixel Twister Web Design